4" Face Vacuum Gauge Oil Filled All Stainless Steel Lower Mount
Manufacturer: DuraChoice
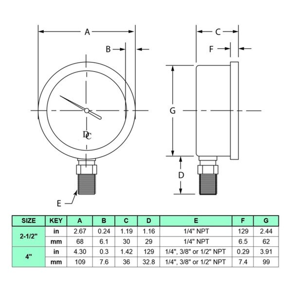
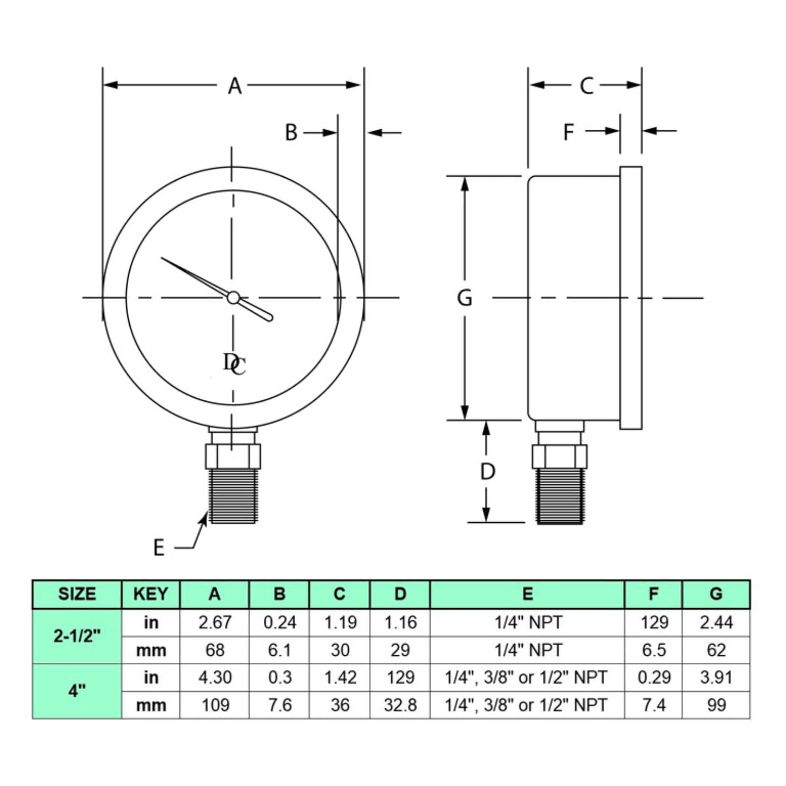
Indulge in the epitome of quality with our exquisite all stainless steel 4" oil-filled vacuum gauges, renowned for their impeccable craftsmanship and unmatched durability. Meticulously engineered with a 3/8" to 1/4" NPT stainless steel lower mount connection, bourdon tube, and movement, these gauges exhibit superior resistance to corrosion compared to their conventional brass counterparts. Encased within a robust stainless steel housing and filled with glycerin oil, they effectively dampen the effects of vibration and pulsation, ensuring precise readings even in the most challenging environments. Versatile and steadfast, our gauges cater to a broad spectrum of applications, including water, oil, gas (WOG), and diesel systems. With pressure ranges spanning from -30HG/0PSI to -30HG/30PSI, they offer comprehensive monitoring capabilities to meet diverse operational needs. Enhanced with an IP66 rating, they provide unwavering protection against dust and water ingress, solidifying their status as the ultimate choice for demanding industrial settings. Elevate your pressure measurement standards with our premium stainless steel oil-filled vacuum gauges.
4" Face Vacuum Gauge Oil Filled All Stainless Steel Lower Mount
Manufacturer: DuraChoice
DESCRIPTION
All Stainless Steel Lower Mount Oil-Filled Pressure Gauge 4" Face